Прайс-лист
Распродажа
  • Видеонаблюдение
  • Коммутационное оборудование
  • Контроль доступа
  • Домофоны
  • Сопутствующие товары
  • Охранная сигнализация
Бренды
Информация
  • Оплата товаров и услуг
  • Самовывоз
  • Доставка заказов
  • Часто задаваемые вопросы
Компания
  • О компании
  • Вакансии
  • Партнеры
  • Контакты
Услуги
  • Сервисный центр
  • Монтаж систем безопасности
  • Проектирование
Новости
  • Новости
  • Новости партнеров
  • Статьи
Контакты
    Связаться с нами
    Связаться с нами
    +7 (812) 252-68-64Офис, м.Нарвская
    +7 (981) 878-30-28Офис, м.Озерки
    +7 (911) 709-35-29Офис, м.Ладожская
    +7 (812) 447-95-57Гл. офис Маршала Говорова
    +7 (495) 645-23-92Офис в Москве
    +7 (981) 680-02-27Сервисный центр
    Заказать звонок
    Технические средства
    безопасности
    Войти
    0 Сравнение
    0 Избранное
    0 Корзина
    • Видеонаблюдение
      Видеонаблюдение
      • ТВ камеры
      • Записывающие устройства
      • Мониторы для видеонаблюдения
      • Дополнительное оборудование
      • Оборудование БИК-Информ
      • Тепловизионное оборудование
    • Коммутационное оборудование
      Коммутационное оборудование
      • Ethernet, PoE
      • Wi-Fi (Базовые станции, мосты, точки доступа)
      • Composite Video
      • HDCVI / TVI / AHD
      • SDI
      • VGA
      • HDMI
      • DVI
      • YPbPr, S-Video
      • USB, клавиатура/мышь, ИК управление
      • RS232, RS485, Контакты
      • AUDIO
      • Устройства грозозащиты
      • DisplayPort
      • Удлинители для антенн
      • Еще
    • Контроль доступа
      Контроль доступа
      • Контроллеры управления
      • Считыватели
      • Кодовые панели
      • Электрозамки
      • Доводчики
      • Кнопки
      • Электронные ключи
      • Программное обеспечение
      • Турникеты
      • Шлагбаумы и автоматика
      • Фурнитура для дверей
      • Еще
    • Домофоны
      Домофоны
      • IP домофоны
      • Вызывные блоки
      • Переговорные аудио системы
      • Аксессуары для абонентских устройств
      • Аудиотрубки
      • Мониторы домофонов
    • Объективы
      Объективы
      • CCTV
      • Трансфокаторы
      • Машинное зрение
      • ITS (Intelligent transportation systems)
      • Аксессуары
      • Вариофокальные
      • Объективы типа «рыбий глаз» (fisheye)
      • Оптика для тепловизоров
    • Сопутствующие товары
      Сопутствующие товары
      • Источники питания
      • Оборудование для инсталлятора
      • Оборудование климатической защиты
      • Провода
      • Разъемы/переходники
      • Расходные материалы
    • Охранная сигнализация
      Охранная сигнализация
      • Альтоника
      • Контрольные панели
      • Оповещатели
      • Охранные датчики
      • Передача по радиоканалу
      • Пожарные датчики
      • Системы оповещения
      • Тревожные кнопки
      • LED освещение
    • Готовые комплекты
      Готовые комплекты
      • Комплекты систем видеонаблюдения
      • Комплекты домофонов
      • Комплекты систем охранной сигнализации
    Видеонаблюдение Коммутационное оборудование Контроль доступа Домофоны Объективы Сопутствующие товары Охранная сигнализация Готовые комплекты
    Войти
    0 Сравнение
    0 Избранное
    0 Корзина
    Телефоны
    +7 (812) 252-68-64 Офис, м.Нарвская
    +7 (981) 878-30-28 Офис, м.Озерки
    +7 (911) 709-35-29 Офис, м.Ладожская
    +7 (812) 447-95-57 Гл. офис Маршала Говорова
    +7 (495) 645-23-92 Офис в Москве
    +7 (981) 680-02-27 Сервисный центр
    Заказать звонок
    0
    0
    0
    • Кабинет
    • 0 Сравнение
    • 0 Избранное
    • 0 Корзина
    • +7 (812) 252-68-64 Офис, м.Нарвская
      • Назад
      • Телефоны
      • +7 (812) 252-68-64 Офис, м.Нарвская
      • +7 (981) 878-30-28 Офис, м.Озерки
      • +7 (911) 709-35-29 Офис, м.Ладожская
      • +7 (812) 447-95-57 Гл. офис Маршала Говорова
      • +7 (495) 645-23-92 Офис в Москве
      • +7 (981) 680-02-27 Сервисный центр
      • Заказать звонок
    • info@bic-video.ru
    • 198095, г. Санкт-Петербург,
      ул. Маршала Говорова, 52А, пом. 36н
      (4 этаж Бизнес-центра Алкотел)
    • Пн. – Пт.: с 9:00 до 18:00
    Главная
    –
    Каталог
    –
    Видеонаблюдение
    –
    Дополнительное оборудование
    –
    Корпуса ТВ камер, муляжи
    –Для уличной установки

    Корпуса видеокамер для уличной установки

    156 товаров
    Фильтр
    По умолчанию
    С начала алфавита
    С конца алфавита
    Сначала дешевые
    Сначала дорогие
    По умолчанию
    Термокожух ТГБ-7
    11 970 руб.
    Термокожух ТГБ-7
    Под заказ
    Арт. tah0753
    Заказать
    Термокожух удлиненный ТГБ-7У (без обогрева) Термокожух удлиненный ТГБ-7У (без обогрева) Термокожух удлиненный ТГБ-7У (без обогрева)
    13 755 руб.
    Термокожух удлиненный ТГБ-7У (без обогрева)
    Под заказ
    Арт. tah0925
    Заказать
    Термокожух удлиненный ТГБ-7У-12 Термокожух удлиненный ТГБ-7У-12 Термокожух удлиненный ТГБ-7У-12
    14 175 руб.
    Термокожух удлиненный ТГБ-7У-12
    Под заказ
    Арт. tah0926
    Заказать
    ТГБ-7У-24/12 Гермобокс
    18 270 руб.
    ТГБ-7У-24/12 Гермобокс
    Под заказ
    Арт. tah0275
    Заказать
    ТГБ-7С-220/12 Гермобокс для установки на него стеклоочистителя СО-1
    18 270 руб.
    ТГБ-7С-220/12 Гермобокс для установки на него стеклоочистителя СО-1
    Под заказ
    Арт. tah0570
    Заказать
    ТГБ-7С-24/12 Гермобокс для установки на него стеклоочистителя СО-1
    18 795 руб.
    ТГБ-7С-24/12 Гермобокс для установки на него стеклоочистителя СО-1
    Под заказ
    Арт. tah0569
    Заказать
    ТГБ-7У-220/12 Гермобокс
    18 890 руб.
    ТГБ-7У-220/12 Гермобокс
    Под заказ
    Арт. tah0276
    Заказать
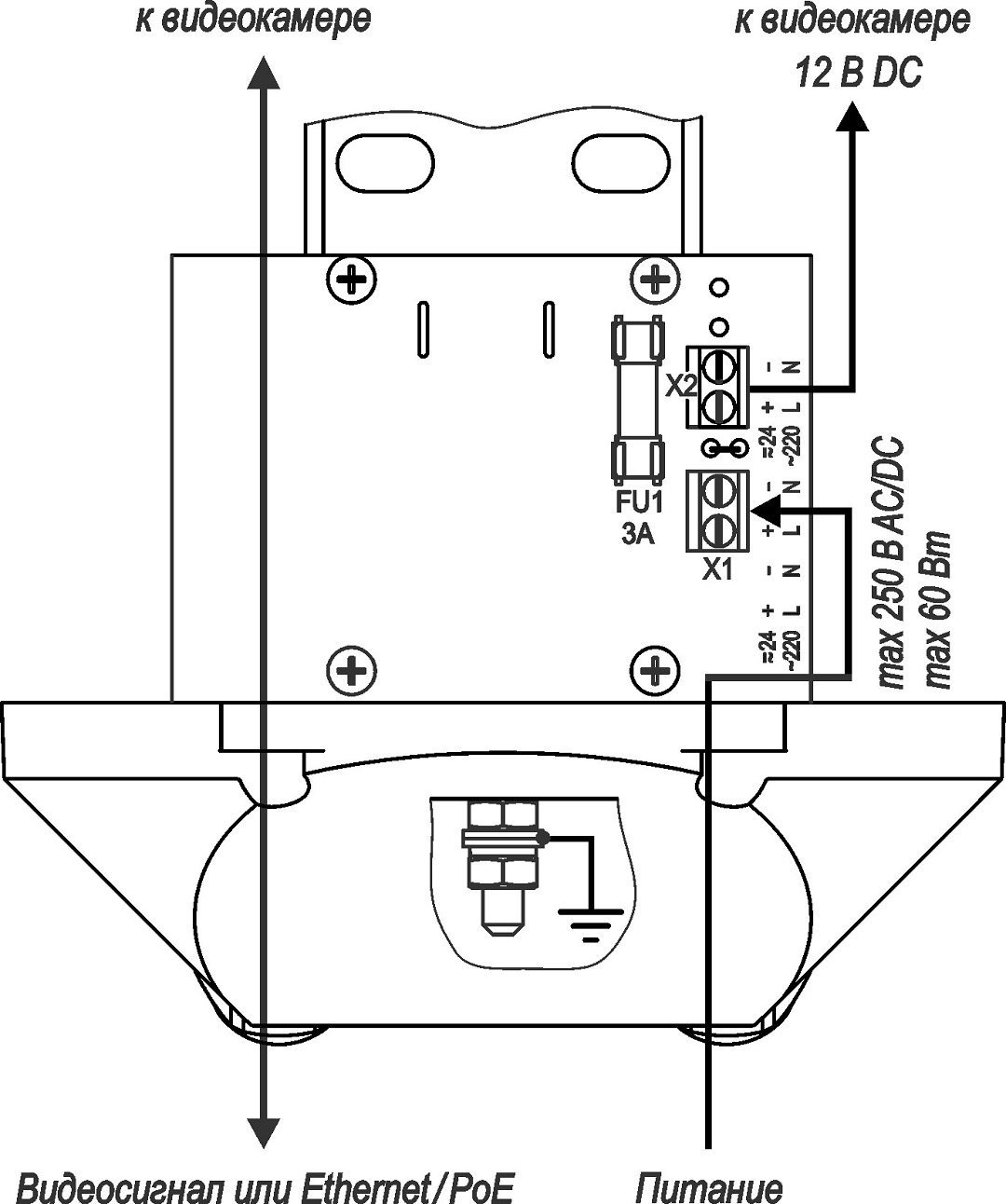
    Термокожух ТГБ-7У PoE+ Термокожух ТГБ-7У PoE+ Термокожух ТГБ-7У PoE+ Термокожух ТГБ-7У PoE+ Термокожух ТГБ-7У PoE+
    26 460 руб.
    Термокожух ТГБ-7У PoE+
    Под заказ
    Арт. tah0878
    Заказать
    Термокожух ТГБ-7-PoE++ Термокожух ТГБ-7-PoE++ Термокожух ТГБ-7-PoE++ Термокожух ТГБ-7-PoE++ Термокожух ТГБ-7-PoE++
    32 340 руб.
    Термокожух ТГБ-7-PoE++
    Под заказ
    Арт. tah0924
    Заказать
    Термокожух удлиненный ТГБ-7У PoE++ Термокожух удлиненный ТГБ-7У PoE++ Термокожух удлиненный ТГБ-7У PoE++ Термокожух удлиненный ТГБ-7У PoE++
    33 495 руб.
    Термокожух удлиненный ТГБ-7У PoE++
    Под заказ
    Арт. tah0927
    Заказать
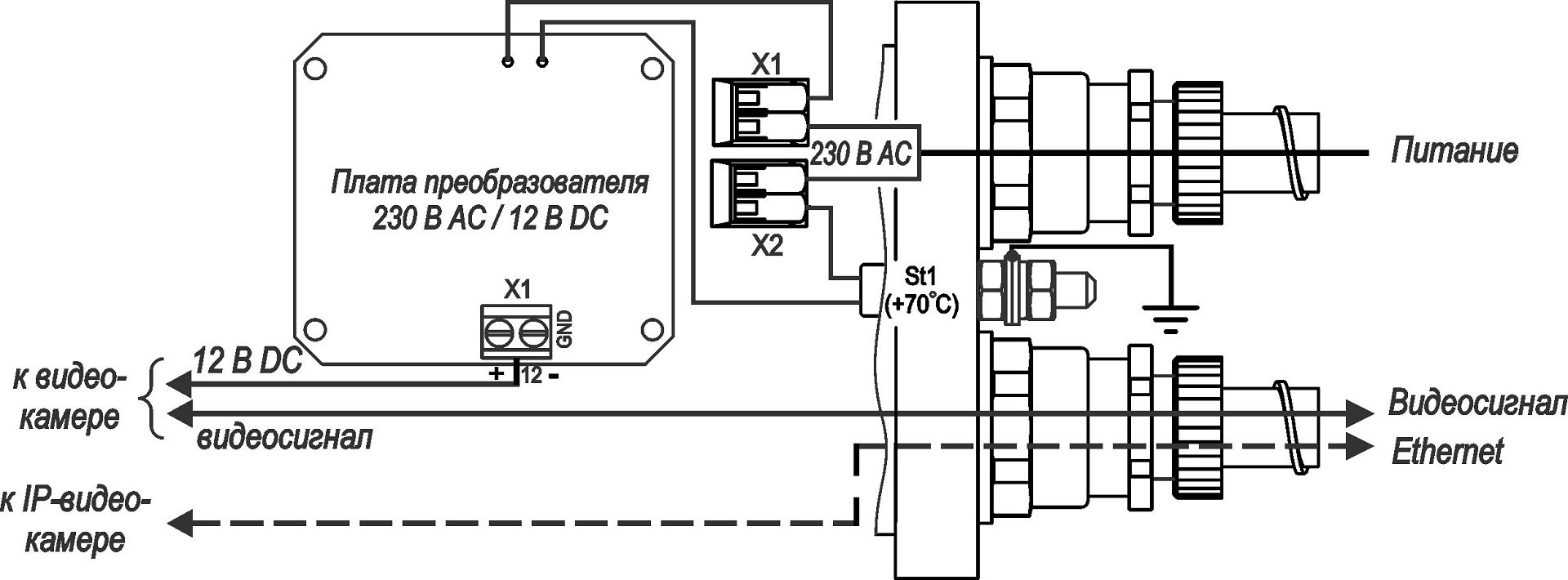
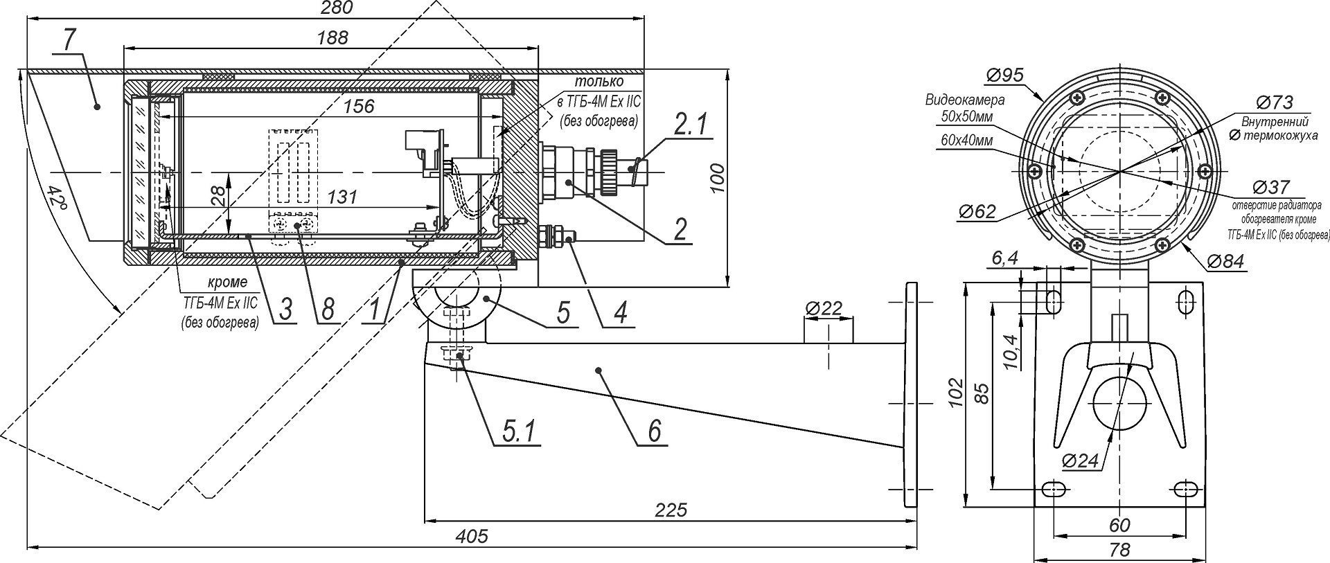
    ТГБ-4М Ex IIC Термокожух взрывозащищенный без обогрева ТГБ-4М Ex IIC Термокожух взрывозащищенный без обогрева ТГБ-4М Ex IIC Термокожух взрывозащищенный без обогрева ТГБ-4М Ex IIC Термокожух взрывозащищенный без обогрева ТГБ-4М Ex IIC Термокожух взрывозащищенный без обогрева
    38 325 руб.
    ТГБ-4М Ex IIC Термокожух взрывозащищенный без обогрева
    Под заказ
    Арт. tah0820
    Заказать
    ТГБ-4М Ex IIC-12/12 Термокожух взрывозащищенный ТГБ-4М Ex IIC-12/12 Термокожух взрывозащищенный ТГБ-4М Ex IIC-12/12 Термокожух взрывозащищенный ТГБ-4М Ex IIC-12/12 Термокожух взрывозащищенный ТГБ-4М Ex IIC-12/12 Термокожух взрывозащищенный
    41 580 руб.
    ТГБ-4М Ex IIC-12/12 Термокожух взрывозащищенный
    Под заказ
    Арт. tah0821
    Заказать
    ТГБ-4М Ex IIC-220/12 Термокожух взрывозащищенный ТГБ-4М Ex IIC-220/12 Термокожух взрывозащищенный ТГБ-4М Ex IIC-220/12 Термокожух взрывозащищенный
    45 675 руб.
    ТГБ-4М Ex IIC-220/12 Термокожух взрывозащищенный
    Под заказ
    Арт. tah0930
    Заказать
    ТГБ-4Г Ex IIC Термокожух взрывозащищенный (без обогрева) ТГБ-4Г Ex IIC Термокожух взрывозащищенный (без обогрева) ТГБ-4Г Ex IIC Термокожух взрывозащищенный (без обогрева)
    46 725 руб.
    ТГБ-4Г Ex IIC Термокожух взрывозащищенный (без обогрева)
    Под заказ
    Арт. tah0931
    Заказать
    ТГБ-11-24/12 Гермобокс
    62 790 руб.
    ТГБ-11-24/12 Гермобокс
    Под заказ
    Арт. tah0450
    Заказать
    ТГБ-11-220/12 Гермобокс
    62 790 руб.
    ТГБ-11-220/12 Гермобокс
    Под заказ
    Арт. tah0457
    Заказать
    Термокожух увеличенного объема ТГБ-11-РоЕ++ Термокожух увеличенного объема ТГБ-11-РоЕ++ Термокожух увеличенного объема ТГБ-11-РоЕ++ Термокожух увеличенного объема ТГБ-11-РоЕ++
    73 500 руб.
    Термокожух увеличенного объема ТГБ-11-РоЕ++
    Под заказ
    Арт. tah0928
    Заказать
    ТГБ-4Г Ex IIC-PoE++ Термокожух взрывозащищенный ТГБ-4Г Ex IIC-PoE++ Термокожух взрывозащищенный ТГБ-4Г Ex IIC-PoE++ Термокожух взрывозащищенный ТГБ-4Г Ex IIC-PoE++ Термокожух взрывозащищенный ТГБ-4Г Ex IIC-PoE++ Термокожух взрывозащищенный
    74 445 руб.
    ТГБ-4Г Ex IIC-PoE++ Термокожух взрывозащищенный
    Под заказ
    Арт. tah0936
    Заказать
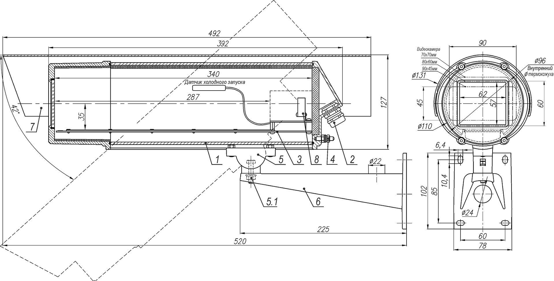
    ТГБ-9 Термокожух из нержавеющей стали
    158 025 руб.
    ТГБ-9 Термокожух из нержавеющей стали
    Под заказ
    Арт. tah0976
    Заказать
    ТГБ-9-12 Термокожух из нержавеющей стали
    159 390 руб.
    ТГБ-9-12 Термокожух из нержавеющей стали
    Под заказ
    Арт. tah0977
    Заказать
    Загрузить еще
    1 2 3 4 5 ... 8
    Категория
    • Видеонаблюдение
      • ТВ камеры
      • Записывающие устройства
      • Мониторы для видеонаблюдения
      • Дополнительное оборудование
      • Оборудование БИК-Информ
      • Тепловизионное оборудование
    Подбор параметров Фильтры
    Розничная цена
    От
    До
    600
    159 875
    319 150
    478 425
    637 700
    Бренд
    Показать еще
    Скрыть
    Доступно на складе
    Показать еще
    Скрыть
    ИК подсветка
    Показать еще
    Скрыть
    Тип крепления
    Показать еще
    Скрыть
    Кронштейн
    Показать еще
    Скрыть
    Цвет
    Показать еще
    Скрыть
    Степень защиты IP
    Показать еще
    Скрыть
    Напряжение
    Показать еще
    Скрыть
    Ток
    Показать еще
    Скрыть
    Рабочая температура от
    От
    До
    -70
    -53
    -35
    -18
    0
    Рабочая температура до
    От
    До
    40
    81
    123
    164
    205
    Снято с производства
    Показать еще
    Скрыть
    Тип объектива
    Показать еще
    Скрыть
    Рабочая температура
    От
    До
    -70
    205
    Выбрано: 0
    Показать
    Подписаться
    на новости и акции
    Интернет-магазин
    Каталог
    Бренды
    Распродажа
    Карта сайта
    Компания
    О компании
    Вакансии
    Услуги
    Партнеры
    Контакты
    Новости
    Наши новости
    Новости партнеров
    Статьи
    Информация
    Оплата товаров и услуг
    Самовывоз
    Доставка
    Часто задаваемые вопросы
    Контакты
    +7 (812) 252-68-64
    +7 (812) 252-68-64Офис, м.Нарвская
    +7 (981) 878-30-28Офис, м.Озерки
    +7 (911) 709-35-29Офис, м.Ладожская
    +7 (812) 447-95-57Гл. офис Маршала Говорова
    +7 (495) 645-23-92Офис в Москве
    +7 (981) 680-02-27Сервисный центр
    Заказать звонок
    E-mail
    info@bic-video.ru
    Адрес
    198095, г. Санкт-Петербург,
    ул. Маршала Говорова, 52А, пом. 36н
    (4 этаж Бизнес-центра Алкотел)
    Режим работы
    Пн. – Пт.: с 9:00 до 18:00
    info@bic-video.ru
    198095, г. Санкт-Петербург,
    ул. Маршала Говорова, 52А, пом. 36н
    (4 этаж Бизнес-центра Алкотел)
    © 2026 ООО "БИК-Видео". Санкт-Петербург
    Политика конфиденциальности
    Согласие на обработку персональных данных
    Публичная оферта
    Разработано в
    Главная Каталог 0 Корзина Кабинет Контакты