Прайс-лист
Распродажа
  • Видеонаблюдение
  • Коммутационное оборудование
  • Контроль доступа
  • Домофоны
  • Сопутствующие товары
  • Охранная сигнализация
Бренды
Информация
  • Оплата товаров и услуг
  • Самовывоз
  • Доставка заказов
  • Часто задаваемые вопросы
Компания
  • О компании
  • Вакансии
  • Партнеры
  • Контакты
Услуги
  • Сервисный центр
  • Монтаж систем безопасности
  • Проектирование
Новости
  • Новости
  • Новости партнеров
  • Статьи
Контакты
    Связаться с нами
    Связаться с нами
    +7 (812) 252-68-64Офис, м.Нарвская
    +7 (981) 878-30-28Офис, м.Озерки
    +7 (911) 709-35-29Офис, м.Ладожская
    +7 (812) 447-95-57Гл. офис Бумажная
    +7 (495) 645-23-92Офис в Москве
    +7 (981) 680-02-27Сервисный центр
    Заказать звонок
    Технические средства
    безопасности
    Войти
    0 Сравнение
    0 Избранное
    0 Корзина
    • Видеонаблюдение
      Видеонаблюдение
      • ТВ камеры
      • Записывающие устройства
      • Мониторы для видеонаблюдения
      • Дополнительное оборудование
      • Оборудование БИК-Информ
      • Тепловизионное оборудование
    • Коммутационное оборудование
      Коммутационное оборудование
      • Ethernet, PoE
      • Wi-Fi (Базовые станции, мосты, точки доступа)
      • Composite Video
      • HDCVI / TVI / AHD
      • SDI
      • VGA
      • HDMI
      • DVI
      • YPbPr, S-Video
      • USB, клавиатура/мышь, ИК управление
      • RS232, RS485, Контакты
      • AUDIO
      • Устройства грозозащиты
      • DisplayPort
      • Удлинители для антенн
      • Еще
    • Контроль доступа
      Контроль доступа
      • Контроллеры управления
      • Считыватели
      • Кодовые панели
      • Электрозамки
      • Доводчики
      • Кнопки
      • Электронные ключи
      • Программное обеспечение
      • Турникеты
      • Шлагбаумы и автоматика
      • Фурнитура для дверей
      • Еще
    • Домофоны
      Домофоны
      • IP домофоны
      • Вызывные блоки
      • Переговорные аудио системы
      • Аксессуары для абонентских устройств
      • Аудиотрубки
      • Мониторы домофонов
    • Объективы
      Объективы
      • CCTV
      • Трансфокаторы
      • Машинное зрение
      • ITS (Intelligent transportation systems)
      • Аксессуары
      • Вариофокальные
      • Объективы типа «рыбий глаз» (fisheye)
      • Оптика для тепловизоров
    • Сопутствующие товары
      Сопутствующие товары
      • Источники питания
      • Оборудование для инсталлятора
      • Оборудование климатической защиты
      • Провода
      • Разъемы/переходники
      • Расходные материалы
    • Охранная сигнализация
      Охранная сигнализация
      • Альтоника
      • Контрольные панели
      • Оповещатели
      • Охранные датчики
      • Передача по радиоканалу
      • Пожарные датчики
      • Системы оповещения
      • Тревожные кнопки
      • LED освещение
    • Готовые комплекты
      Готовые комплекты
      • Комплекты систем видеонаблюдения
      • Комплекты домофонов
      • Комплекты систем охранной сигнализации
    Видеонаблюдение Коммутационное оборудование Контроль доступа Домофоны Объективы Сопутствующие товары Охранная сигнализация Готовые комплекты
    Войти
    0 Сравнение
    0 Избранное
    0 Корзина
    Телефоны
    +7 (812) 252-68-64 Офис, м.Нарвская
    +7 (981) 878-30-28 Офис, м.Озерки
    +7 (911) 709-35-29 Офис, м.Ладожская
    +7 (812) 447-95-57 Гл. офис Бумажная
    +7 (495) 645-23-92 Офис в Москве
    +7 (981) 680-02-27 Сервисный центр
    Заказать звонок
    0
    0
    0
    • Кабинет
    • 0 Сравнение
    • 0 Избранное
    • 0 Корзина
    • +7 (812) 252-68-64 Офис, м.Нарвская
      • Назад
      • Телефоны
      • +7 (812) 252-68-64 Офис, м.Нарвская
      • +7 (981) 878-30-28 Офис, м.Озерки
      • +7 (911) 709-35-29 Офис, м.Ладожская
      • +7 (812) 447-95-57 Гл. офис Бумажная
      • +7 (495) 645-23-92 Офис в Москве
      • +7 (981) 680-02-27 Сервисный центр
      • Заказать звонок
    • info@bic-video.ru
    • 198095, г. Санкт-Петербург,
      ул. Маршала Говорова, 52А, пом. 36н
      (4 этаж Бизнес-центра Алкотел)
    • Пн. – Пт.: с 9:00 до 18:00
    Главная
    –
    Каталог
    –
    Видеонаблюдение
    –
    Дополнительное оборудование
    –
    Корпуса ТВ камер, муляжи
    –Для уличной установки

    Корпуса видеокамер для уличной установки

    156 товаров
    Фильтр
    По умолчанию
    С начала алфавита
    С конца алфавита
    Сначала дешевые
    Сначала дорогие
    По умолчанию
    ЗК-2 Защитный козырек для купольных видеокамер диаметром не более 112 мм ЗК-2 Защитный козырек для купольных видеокамер диаметром не более 112 мм ЗК-2 Защитный козырек для купольных видеокамер диаметром не более 112 мм
    1 086 руб.
    ЗК-2 Защитный козырек для купольных видеокамер диаметром не более 112 мм
    Под заказ
    Арт. slt0033
    Заказать
    BCM-180МV-24 Термокожух BCM-180МV-24 Термокожух BCM-180МV-24 Термокожух
    135 281.53 руб.
    BCM-180МV-24 Термокожух
    Под заказ
    Арт. bic0096
    Заказать
    BCM-180МV-PoE Термокожух (инжектор в комплект не входит) BCM-180МV-PoE Термокожух (инжектор в комплект не входит) BCM-180МV-PoE Термокожух (инжектор в комплект не входит)
    139 606.69 руб.
    BCM-180МV-PoE Термокожух (инжектор в комплект не входит)
    Под заказ
    Арт. bic0097
    Заказать
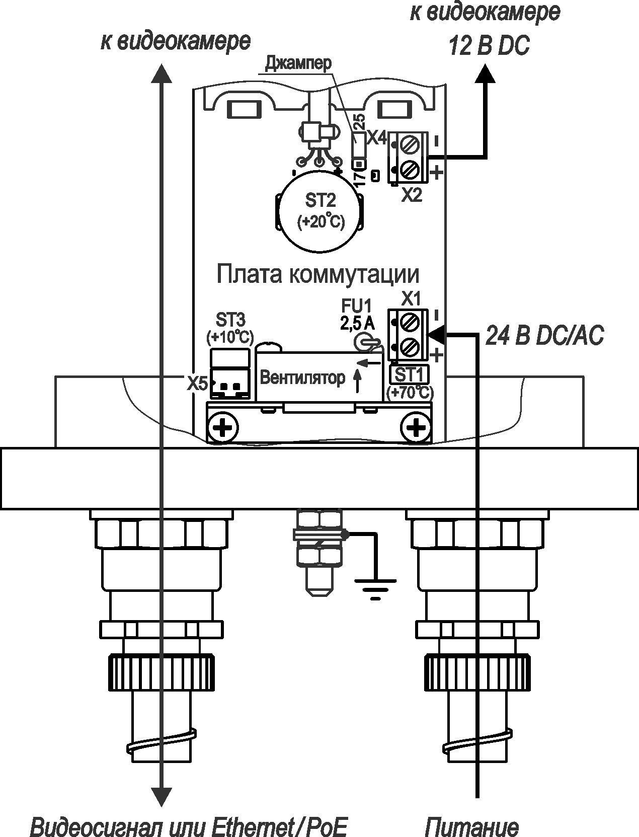
    ВСМ-400Ех-24 Взрывозащищенный термокожух
    197 275.55 руб.
    ВСМ-400Ех-24 Взрывозащищенный термокожух
    Под заказ
    Арт. bic0093
    Заказать
    ВСМ-400Ех-220 Взрывозащищенный термокожух
    201 600.71 руб.
    ВСМ-400Ех-220 Взрывозащищенный термокожух
    Под заказ
    Арт. bic0094
    Заказать
    BCM-400Ex-POE Гермобокс взрывозащищенный
    204 484.16 руб.
    BCM-400Ex-POE Гермобокс взрывозащищенный
    Под заказ
    Арт. bic0048.6
    Заказать
    Hikvision DS-1331HZ-H Уличный кожух
    19 290 руб.
    Hikvision DS-1331HZ-H Уличный кожух
    Под заказ
    Арт. hik0671
    Заказать
    DS-1331HZ-B Уличный кожух для камер
    42 890 руб.
    DS-1331HZ-B Уличный кожух для камер
    Под заказ
    Арт. hik0849
    Заказать
    VNG-3 v.GF03EXT Взрывозащищенный термокожух
    45 000 руб.
    VNG-3 v.GF03EXT Взрывозащищенный термокожух
    Под заказ
    Арт. get0032
    Заказать
    VNG-3 v.GF03EXT12V Взрывозащищенный термокожух
    62 999 руб.
    VNG-3 v.GF03EXT12V Взрывозащищенный термокожух
    Под заказ
    Арт. get0038
    Заказать
    VNG-1-10 v.GF10EXT Взрывозащищенный термокожух
    82 674 руб.
    VNG-1-10 v.GF10EXT Взрывозащищенный термокожух
    Под заказ
    Арт. get0031
    Заказать
    VNG-1-11 v.GF11EXT Взрывозащищенный термокожух
    93 139 руб.
    VNG-1-11 v.GF11EXT Взрывозащищенный термокожух
    Под заказ
    Арт. get0030
    Заказать
    VNG-1-12 v.GF12EXT Взрывозащищенный термокожух
    103 604 руб.
    VNG-1-12 v.GF12EXT Взрывозащищенный термокожух
    Под заказ
    Арт. get0029
    Заказать
    VNG-1-11 v.GF11EXT12V Взрывозащищенный термокожух VNG-1-11 v.GF11EXT12V Взрывозащищенный термокожух
    111 138 руб.
    VNG-1-11 v.GF11EXT12V Взрывозащищенный термокожух
    Под заказ
    Арт. get0037
    Заказать
    VNG-1-13 v.GF13EXT Взрывозащищенный термокожух
    116 162 руб.
    VNG-1-13 v.GF13EXT Взрывозащищенный термокожух
    Под заказ
    Арт. get0028
    Заказать
    VNG-1-12 v.GF12EXT220V Взрывозащищенный термокожух VNG-1-12 v.GF12EXT220V Взрывозащищенный термокожух
    117 208 руб.
    VNG-1-12 v.GF12EXT220V Взрывозащищенный термокожух
    Под заказ
    Арт. get0034
    Заказать
    VNG-1-12 v.GF12EXT12V Взрывозащищенный термокожух
    121 603 руб.
    VNG-1-12 v.GF12EXT12V Взрывозащищенный термокожух
    Под заказ
    Арт. get0036
    Заказать
    VNG-1-13 v.GF13EXT220V Взрывозащищенный термокожух
    129 766 руб.
    VNG-1-13 v.GF13EXT220V Взрывозащищенный термокожух
    Под заказ
    Арт. get0033
    Заказать
    VNG-1-13 v.GF13EXT12V Взрывозащищенный термокожух
    134 161 руб.
    VNG-1-13 v.GF13EXT12V Взрывозащищенный термокожух
    Под заказ
    Арт. get0035
    Заказать
    VNG-4 v.GF04EXT Взрывозащищенный термокожух с водяным охлаждением
    349 531 руб.
    VNG-4 v.GF04EXT Взрывозащищенный термокожух с водяным охлаждением
    Под заказ
    Арт. get0039
    Заказать
    Загрузить еще
    1 2 3 4 ... 8
    Категория
    • Видеонаблюдение
      • ТВ камеры
      • Записывающие устройства
      • Мониторы для видеонаблюдения
      • Дополнительное оборудование
      • Оборудование БИК-Информ
      • Тепловизионное оборудование
    Подбор параметров Фильтры
    Розничная цена
    От
    До
    600
    159 875
    319 150
    478 425
    637 700
    Бренд
    Показать еще
    Скрыть
    Доступно на складе
    Показать еще
    Скрыть
    ИК подсветка
    Показать еще
    Скрыть
    Тип крепления
    Показать еще
    Скрыть
    Кронштейн
    Показать еще
    Скрыть
    Цвет
    Показать еще
    Скрыть
    Степень защиты IP
    Показать еще
    Скрыть
    Напряжение
    Показать еще
    Скрыть
    Ток
    Показать еще
    Скрыть
    Рабочая температура от
    От
    До
    -70
    -53
    -35
    -18
    0
    Рабочая температура до
    От
    До
    40
    81
    123
    164
    205
    Снято с производства
    Показать еще
    Скрыть
    Тип объектива
    Показать еще
    Скрыть
    Рабочая температура
    От
    До
    -70
    205
    Выбрано: 0
    Показать
    Подписаться
    на новости и акции
    Интернет-магазин
    Каталог
    Бренды
    Распродажа
    Карта сайта
    Компания
    О компании
    Вакансии
    Услуги
    Партнеры
    Контакты
    Новости
    Наши новости
    Новости партнеров
    Статьи
    Информация
    Оплата товаров и услуг
    Самовывоз
    Доставка
    Часто задаваемые вопросы
    Контакты
    +7 (812) 252-68-64
    +7 (812) 252-68-64Офис, м.Нарвская
    +7 (981) 878-30-28Офис, м.Озерки
    +7 (911) 709-35-29Офис, м.Ладожская
    +7 (812) 447-95-57Гл. офис Бумажная
    +7 (495) 645-23-92Офис в Москве
    +7 (981) 680-02-27Сервисный центр
    Заказать звонок
    E-mail
    info@bic-video.ru
    Адрес
    198095, г. Санкт-Петербург,
    ул. Маршала Говорова, 52А, пом. 36н
    (4 этаж Бизнес-центра Алкотел)
    Режим работы
    Пн. – Пт.: с 9:00 до 18:00
    info@bic-video.ru
    198095, г. Санкт-Петербург,
    ул. Маршала Говорова, 52А, пом. 36н
    (4 этаж Бизнес-центра Алкотел)
    © 2026 ООО "БИК-Видео". Санкт-Петербург
    Политика конфиденциальности
    Публичная оферта
    Разработано в
    Главная Каталог 0 Корзина Кабинет Контакты