ТГБ-4М Ex IIC PoE+ Термокожух взрывозащищенный
Арт. tah0905
Характеристики
Тип крепления
—
Настенный, Потолочный
Кронштейн
—
Да
Цвет
—
Белый
Степень защиты IP
—
66/68
Напряжение
—
24V DC
Нашли дешевле?
Хочу в подарок
Наличие и сроки поставки уточняются в момент оформления заказа
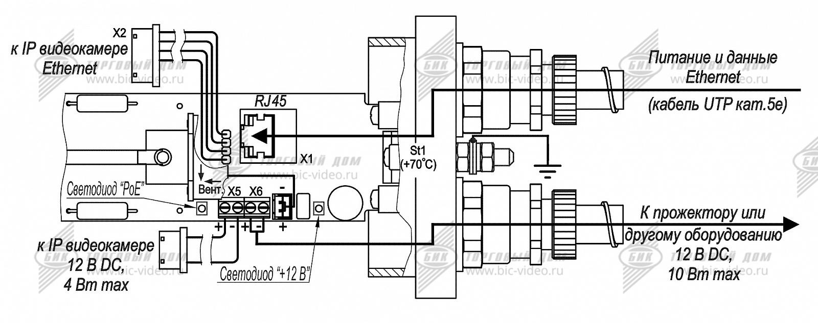
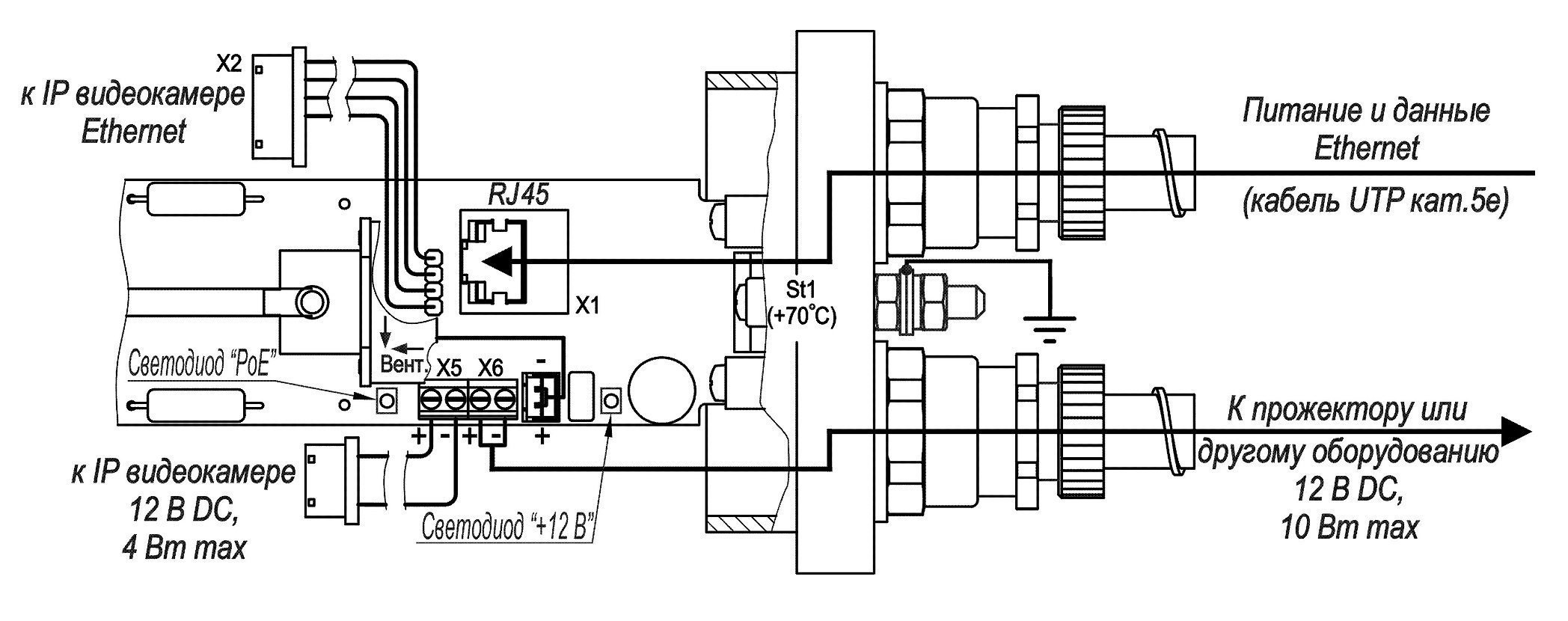
Термокожух взрывозащищенный ТГБ-4М Ех IIC PoE+ предназначен для установки сетевых (IP) видеокамер Ethernet 10/100BASE-TX и защиты их от воздействия окружающей среды (влаги, пыли и отрицательных температур).
Класс взрывозащиты 1Ex db IIC T6 Gb X / Ex tb IIIC T80°C Db X.
Класс защиты IP66/IP68. Рабочий объем 50х50х131 мм.
Питание термокожуха по стандарту IEEE 802.3at (PoE+).
Питание видеокамеры 12В DC, 4Вт.
Питание для дополнительного оборудования 12В, 10Вт. Максимальная потребляемая мощность 25 Вт.
Диапазон рабочих температур -60°С…+50°C.
Два гермоввода под не бронированный кабель диаметром 3,2-8,1мм с фиксатором металлорукава.
В комплекте настенный кронштейн и солнцезащитный козырек.
Класс взрывозащиты 1Ex db IIC T6 Gb X / Ex tb IIIC T80°C Db X.
Класс защиты IP66/IP68. Рабочий объем 50х50х131 мм.
Питание термокожуха по стандарту IEEE 802.3at (PoE+).
Питание видеокамеры 12В DC, 4Вт.
Питание для дополнительного оборудования 12В, 10Вт. Максимальная потребляемая мощность 25 Вт.
Диапазон рабочих температур -60°С…+50°C.
Два гермоввода под не бронированный кабель диаметром 3,2-8,1мм с фиксатором металлорукава.
В комплекте настенный кронштейн и солнцезащитный козырек.
Габаритные размеры изделия

Тип крепления
Настенный, Потолочный
Кронштейн
Да
Цвет
Белый
Степень защиты IP
66/68
Напряжение
24V DC
Напряжение
24
Ток
DC
POE
Да
Рабочая температура от
-60
Рабочая температура до
50
Артикул
tah0905
Полезный объем
50х50х131
Подогрев
Да
Снято с производства
Нет
Тип объектива
Фиксированный
1. Доставка товара по Санкт-Петербургу осуществляется бесплатно при сумме заказа от 6 000 рублей. Доставка осуществляется в течение двух дней после оформления. При сумме заказа менее 6 000 рублей забор товара осуществляется самовывозом.
За пределы КАД доставка осуществляется с помощью транспортных компаний и почты России.
2. По регионам России доставка осуществляется Почтой России или грузовыми компаниями. Доставляются заказы на сумму от 1 000 рублей по заранее оплаченному счёту. Стоимость доставки включается в стоимость заказа.
Отзывы
Загрузка отзывов...
Добавить отзыв