Прайс-лист
Распродажа
  • Видеонаблюдение
  • Коммутационное оборудование
  • Контроль доступа
  • Домофоны
  • Сопутствующие товары
  • Охранная сигнализация
Бренды
Информация
  • Оплата товаров и услуг
  • Самовывоз
  • Доставка заказов
  • Часто задаваемые вопросы
Компания
  • О компании
  • Вакансии
  • Партнеры
  • Контакты
Услуги
  • Сервисный центр
  • Монтаж систем безопасности
  • Проектирование
Новости
  • Новости
  • Новости партнеров
  • Статьи
Контакты
    Связаться с нами
    Связаться с нами
    +7 (812) 252-68-64Офис, м.Нарвская
    +7 (981) 878-30-28Офис, м.Озерки
    +7 (911) 709-35-29Офис, м.Ладожская
    +7 (812) 447-95-57Гл. офис Маршала Говорова
    +7 (495) 645-23-92Офис в Москве
    +7 (981) 680-02-27Сервисный центр
    Заказать звонок
    Технические средства
    безопасности
    Войти
    0 Сравнение
    0 Избранное
    0 Корзина
    • Видеонаблюдение
      Видеонаблюдение
      • ТВ камеры
      • Записывающие устройства
      • Мониторы для видеонаблюдения
      • Дополнительное оборудование
      • Оборудование БИК-Информ
      • Тепловизионное оборудование
    • Коммутационное оборудование
      Коммутационное оборудование
      • Ethernet, PoE
      • Wi-Fi (Базовые станции, мосты, точки доступа)
      • Composite Video
      • HDCVI / TVI / AHD
      • SDI
      • VGA
      • HDMI
      • DVI
      • YPbPr, S-Video
      • USB, клавиатура/мышь, ИК управление
      • RS232, RS485, Контакты
      • AUDIO
      • Устройства грозозащиты
      • DisplayPort
      • Удлинители для антенн
      • Еще
    • Контроль доступа
      Контроль доступа
      • Контроллеры управления
      • Считыватели
      • Кодовые панели
      • Электрозамки
      • Доводчики
      • Кнопки
      • Электронные ключи
      • Программное обеспечение
      • Турникеты
      • Шлагбаумы и автоматика
      • Фурнитура для дверей
      • Еще
    • Домофоны
      Домофоны
      • IP домофоны
      • Вызывные блоки
      • Переговорные аудио системы
      • Аксессуары для абонентских устройств
      • Аудиотрубки
      • Мониторы домофонов
    • Объективы
      Объективы
      • CCTV
      • Трансфокаторы
      • Машинное зрение
      • ITS (Intelligent transportation systems)
      • Аксессуары
      • Вариофокальные
      • Объективы типа «рыбий глаз» (fisheye)
      • Оптика для тепловизоров
    • Сопутствующие товары
      Сопутствующие товары
      • Источники питания
      • Оборудование для инсталлятора
      • Оборудование климатической защиты
      • Провода
      • Разъемы/переходники
      • Расходные материалы
    • Охранная сигнализация
      Охранная сигнализация
      • Альтоника
      • Контрольные панели
      • Оповещатели
      • Охранные датчики
      • Передача по радиоканалу
      • Пожарные датчики
      • Системы оповещения
      • Тревожные кнопки
      • LED освещение
    • Готовые комплекты
      Готовые комплекты
      • Комплекты систем видеонаблюдения
      • Комплекты домофонов
      • Комплекты систем охранной сигнализации
    Видеонаблюдение Коммутационное оборудование Контроль доступа Домофоны Объективы Сопутствующие товары Охранная сигнализация Готовые комплекты
    Войти
    0 Сравнение
    0 Избранное
    0 Корзина
    Телефоны
    +7 (812) 252-68-64 Офис, м.Нарвская
    +7 (981) 878-30-28 Офис, м.Озерки
    +7 (911) 709-35-29 Офис, м.Ладожская
    +7 (812) 447-95-57 Гл. офис Маршала Говорова
    +7 (495) 645-23-92 Офис в Москве
    +7 (981) 680-02-27 Сервисный центр
    Заказать звонок
    0
    0
    0
    • Кабинет
    • 0 Сравнение
    • 0 Избранное
    • 0 Корзина
    • +7 (812) 252-68-64 Офис, м.Нарвская
      • Назад
      • Телефоны
      • +7 (812) 252-68-64 Офис, м.Нарвская
      • +7 (981) 878-30-28 Офис, м.Озерки
      • +7 (911) 709-35-29 Офис, м.Ладожская
      • +7 (812) 447-95-57 Гл. офис Маршала Говорова
      • +7 (495) 645-23-92 Офис в Москве
      • +7 (981) 680-02-27 Сервисный центр
      • Заказать звонок
    • info@bic-video.ru
    • 198095, г. Санкт-Петербург,
      ул. Маршала Говорова, 52А, пом. 36н
      (4 этаж Бизнес-центра Алкотел)
    • Пн. – Пт.: с 9:00 до 18:00
    Главная
    –
    Каталог
    –
    Охранная сигнализация
    –
    Контрольные панели
    –
    Контрольные панели
    –Карат БШС-4 Блок расширения шлейфов
    Карат БШС-4 Блок расширения шлейфов
    Карат БШС-4 Блок расширения шлейфов
    Карат БШС-4 Блок расширения шлейфов
    Карат БШС-4 Блок расширения шлейфов

    Карат БШС-4 Блок расширения шлейфов

    Арт. sib0003
    Характеристики
    Релейный выход
    —
    2
    Тип крепления
    —
    Настенный
    Цвет
    —
    Белый, Синий
    Рабочая температура от
    —
    -30
    Рабочая температура до
    —
    50
    Все характеристики
    Все описание
    Сибирский Арсенал
    Все товары Сибирский Арсенал
    Все товары категории
    Заказать
    Снято с производства
    Нашли дешевле?
    Хочу в подарок
    Наличие и сроки поставки уточняются в момент оформления заказа
    • Описание
    • Характеристики
    • Файлы
    • Доставка
    • Отзывы
    • Остатки на складах

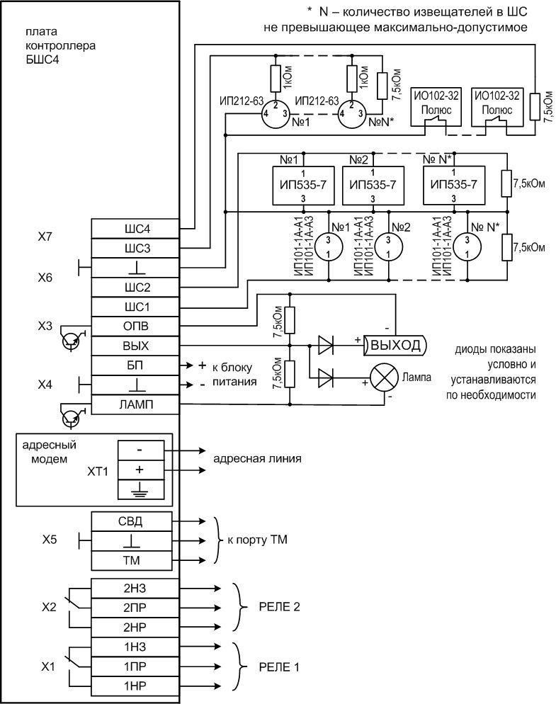
    Блок расширения «БШС4» представляет из себя устройство для работы в составе системы «КАРАТ» и предназначен для расширения информационной емкости прибора КАРАТ, сбора, анализа и передачи в центральный блок КАРАТ информации о состоянии охранных и пожарных извещателей, а также линий оповещения. Кроме того, «БШС4» осуществляет прием и выполнение команд от ЦБ, а также запуск местного оповещения.

    Прибор «КАРАТ» позволяет подключить до 57-ми блоков расширения «БШС4». Подключение блока к прибору осуществляется по 2-х проводной линии. 

    На панели блока расположены светодиодные индикаторы состояния шлейфов сигнализации и режима работы.

    Канал связи между ЦБ и внешними блоками БШС4 защищен несколькими способами, обеспечивающими гарантированную доставку и закрытость информации, а также серьезно осложняющими внешние попытки вмешательства в работу системы.
    Релейный выход
    2
    Тип крепления
    Настенный
    Цвет
    Белый, Синий
    Рабочая температура от
    -30
    Рабочая температура до
    50
    Габариты
    111x105x40
    Артикул
    sib0003
    Кол-во шлейфов
    4
    Снято с производства
    Да
    podklyuchenie_pribora_rechevogo_opoveshheniya_rokot2_k_plate_centralnogo_bloka_ppkuop_karat
    110,3 Кб

    1. Доставка товара по Санкт-Петербургу осуществляется бесплатно при сумме заказа от 6 000 рублей. Доставка осуществляется в течение двух дней после оформления. При сумме заказа менее 6 000 рублей забор товара осуществляется самовывозом.

    За пределы КАД доставка осуществляется с помощью транспортных компаний и почты России.

    2. По регионам России доставка осуществляется Почтой России или грузовыми компаниями. Доставляются заказы на сумму от 1 000 рублей по заранее оплаченному счёту. Стоимость доставки включается в стоимость заказа.

    Отзывы
    Загрузка отзывов...
    Нет отзывов
    Добавить отзыв
    Сортировка: по алфавиту | по количеству
    Назад к списку
    Подписаться
    на новости и акции
    Интернет-магазин
    Каталог
    Бренды
    Распродажа
    Карта сайта
    Компания
    О компании
    Вакансии
    Услуги
    Партнеры
    Контакты
    Новости
    Наши новости
    Новости партнеров
    Статьи
    Информация
    Оплата товаров и услуг
    Самовывоз
    Доставка
    Часто задаваемые вопросы
    Контакты
    +7 (812) 252-68-64
    +7 (812) 252-68-64Офис, м.Нарвская
    +7 (981) 878-30-28Офис, м.Озерки
    +7 (911) 709-35-29Офис, м.Ладожская
    +7 (812) 447-95-57Гл. офис Маршала Говорова
    +7 (495) 645-23-92Офис в Москве
    +7 (981) 680-02-27Сервисный центр
    Заказать звонок
    E-mail
    info@bic-video.ru
    Адрес
    198095, г. Санкт-Петербург,
    ул. Маршала Говорова, 52А, пом. 36н
    (4 этаж Бизнес-центра Алкотел)
    Режим работы
    Пн. – Пт.: с 9:00 до 18:00
    info@bic-video.ru
    198095, г. Санкт-Петербург,
    ул. Маршала Говорова, 52А, пом. 36н
    (4 этаж Бизнес-центра Алкотел)
    © 2026 ООО "БИК-Видео". Санкт-Петербург
    Политика конфиденциальности
    Согласие на обработку персональных данных
    Публичная оферта
    Разработано в
    Главная Каталог 0 Корзина Кабинет Контакты